-
PTÊÓѶѻ·ÌáÈ¡ÍËÒÛµç³ØÖпÉÔÙʹÓõĽðÊô¡¢·Ç½ðÊôºÍÆäËû¸ß·Ö×ÓÖÊÁÏ×ÊÔ´£¬
ÖÆ±¸ÄÜÁ¿Ãܶȸߡ¢Ñ»·ÊÙÃü³¤¡¢ÐԼ۱ȸߡ¢¼Ó¹¤ÐÔÄÜºÃµÄµç³ØÖÊÁϲúÆ·¡£

Õý¼«ÖÊÁÏ
-
Á×ËáÌúï®
-
ÄøîÜÃÌËáï®
-
îÜËáï®
-
¸»ï®ÃÌ»ù
-
ÔÙÉúÁ×ËáÌúï®
-
¶þ´úÁ×ËáÌúï®
-
Èý´úÁ×ËáÌúï®
-
ÔÙÉúÁ×ËáÌúï®
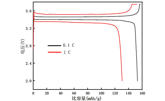
ÔÙÉúÁ×ËáÌú﮾߱¸Öî¶àÓŵ㣬ÒѳÉΪĿ½ñÈÈÃŵÄï®µç³ØÕý¼«ÖÊÁϲúÆ·¡£ PTÊÓѶѻ·½ÓÄɸßιÌÏà·¨¶Ô·ÅÆúÁ×ËáÌú﮾ÙÐÐÔÙÉú£¬Éú²úµÄÔÙÉúÁ×ËáÌú﮲úÆ·¾ß±¸¸ßѹʵ¡¢¸ßÈÝÁ¿¡¢Æ½Ì¨Îȹ̵ÈÌØµã¡£²úÆ·ÄÜÁ¿Ãܶȸߡ¢ÎȹÌÐÔÇ¿¡¢ÖÊÁϱ¾Ç®µÍ£¬Í¬Ê±¼«ºéÁ÷ƽÏìÓ¦Á˹ú¼ÒÇéÐα£»¤Õþ²ß¡£½ÓÄÉÔÙÉú·Ï¾ÉÁ×ËáÌúﮣ¬ïÔÌµç³ØÎÛȾ¶ÔÇéÐÎÔì³ÉµÄΣº¦£»ïÔÌ·Ûĩ֯±¸Á÷³Ì£¬ÊµÏÖ×ÊÔ´½ÚÔ¼µÄͬʱ´´Á¢¸ü¸ß¾¼Ã¼ÛÖµ¡£
-
¸ßѹʵ
-
¸ßÈÝÁ¿
-
ƽ̨ÎȹÌ
-
ÖÊÁϱ¾Ç®µÍ
-
50000 x
-
¡Ý2.35
ѹʵÃܶÈ-3T £¨g/cm3£©
-
<60.0
·ÛÄ©µç×èÂÊ £¨¦¸?cm£©
-
0.6-1.6
Dv50 £¨¦Ìm£©
-
£¾157
0.1CÊ×Ȧ³äµç¿ËÈÝÁ¿ £¨mAh/g£©
-
£¾150
0.1CÊ×Ȧ·Åµç¿ËÈÝÁ¿ £¨mAh/g£©
-
£¾126
1CÊ×Ȧ·Åµç¿ËÈÝÁ¿ £¨mAh/g£©
ÊÖÒÕͼ±í
-
³ä·ÅµçÇúÏßͼ
-
Á£¶ÈÂþÑÜͼ
-
-
¶þ´úÁ×ËáÌúï®
Á×ËáÌúï®ÊÇÄ¿½ñÈÈÃŵÄï®µç³ØÕý¼«ÖÊÁϲúÆ·¡£ PTÊÓѶѻ·½ÓÄÉÁ×ÌúºÏ³ÉÁ×ËáÌú£¬²¢Î§ÈÆ¿ÅÁ£ÄÉÃ×»¯¡¢Ì¼°ü¸²ÓÅ»¯µÈÆ«Ïò¾ÙÐÐÁ¢ÒìÐÔÑз¢ÓëˢУ¬Éú²úµÄ¶þ´úÁ×ËáÌú﮲úÆ·¸ßѹʵ¡¢¸ßÈÝÁ¿¡¢Æ½Ì¨Îȹ̡£±¾²úÆ·¾ß±¸¿ËÈÝÁ¿¸ß¡¢ÄÜÁ¿Ãܶȸߡ¢Çå¾²ÐÔÇ¿¡¢ÇéÐÎÓѺá¢ÖÊÁϱ¾Ç®µÍÁ®ÔÚÄÚµÄÖî¶àÓŵ㣬ÔÚÖª×ã¸ßÐøº½Àï³ÌµÄͬʱ»¹¿É¼æ¹Ë±¾Ç®¿ØÖÆÐèÇó¡£
-
¿ËÈÝÁ¿¸ß
-
ÄÜÁ¿Ãܶȸß
-
Çå¾²ÐÔÇ¿
-
ÇéÐÎÓѺÃ
-
ÖÊÁϱ¾Ç®µÍ
-
50000 x
-
20000 x
-
¡Ý2.38
ѹʵÃܶÈ-3T £¨g/cm3£©
-
<60.0
·ÛÄ©µç×èÂÊ £¨¦¸?cm£©
-
0.7~1.7
Dv50 £¨¦Ìm£©
-
£¾160
0.1CÊ×Ȧ³äµç¿ËÈÝÁ¿ £¨mAh/g£©
-
£¾156
0.1CÊ×Ȧ·Åµç¿ËÈÝÁ¿ £¨mAh/g£©
-
£¾138
1CÊ×Ȧ·Åµç¿ËÈÝÁ¿ £¨mAh/g£©
ÊÖÒÕͼ±í
-
³ä·ÅµçÇúÏßͼ
-
Á£¶Èͼ
-
-
Èý´úÁ×ËáÌúï®
Á×ËáÌúï®ÊÇÄ¿½ñÈÈÃŵÄï®µç³ØÕý¼«ÖÊÁϲúÆ·¡£ PTÊÓѶѻ·½ÓÄÉʪ·¨ºÏ³ÉÁ×ËáÌú£¬²¢½øÒ»²½Í¨¹ý̼°ü¸²¡¢ÔªËزôÔÓ¡¢¿ÅÁ£³ß´çÓÅ»¯µÈ·½·¨ºÏ³ÉÈý´úÁ×ËáÌúﮡ£±¾²úÆ·¾ßÓиßѹʵ¡¢¸ßÇå¾²ÐÔ¡¢¸ßÎȹÌÐÔµÄµä·¶ÌØÕ÷£¬¾ß±¸Ñ»·ÊÙÃü³¤¡¢Çå¾²ÐԸߡ¢ÂÌÉ«»·±£¡¢ÖÊÁÏȪԴÆÕ±éÇÒ±¾Ç®µÍÁ®ÔÚÄڵĶàÖØÓÅÊÆ¡£
-
Ñ»·ÊÙÃü³¤
-
Çå¾²ÐÔ¸ß
-
ÂÌÉ«»·±£
-
ÖÊÁÏȪԴÆÕ±é
-
50000 x
-
20000 x
-
10000 x
-
¡Ý2.48
ѹʵÃܶÈ-3T £¨g/cm3£©
-
<60.0
·ÛÄ©µç×èÂÊ £¨¦¸?cm£©
-
0.7~1.7
Dv50 £¨¦Ìm£©
-
159.0~165.0
0.1CÊ×Ȧ³äµç¿ËÈÝÁ¿ £¨mAh/g£©
-
155.0~161.0
0.1CÊ×Ȧ·Åµç¿ËÈÝÁ¿ £¨mAh/g£©
-
£¾128
1CÊ×Ȧ·Åµç¿ËÈÝÁ¿ £¨mAh/g£©
ÊÖÒÕͼ±í
-
³ä·ÅµçÈÝÁ¿
-
Á£¶Èͼ
-
-
LL5503
-
LL5525
-
LL6007
-
LL6510
-
LL8203
-
LL8313
-
LL9203
-
LL9403
-
LL5503
LL5503Ó¦ÓÃÓÚ4.35Vµçѹ£¬ÊÇ×îÔçÓ¦ÓÃÓÚ³µÓö¯Á¦µç³Ø³¡¾°µÄï®Àë×Óµç³ØÒªº¦Õý¼«ÖÊÁÏÖ®Ò»¡£LL5503Ñ»·ÊÙÃü³¤¡¢ÄÜÁ¿Ãܶȸߡ¢Çå¾²ÐÔÇ¿¡¢¸ßµçѹ¡¢ÈÈÎȹÌÐÔÇ¿¡¢ÐԼ۱ȸߡ£ÊÇPTÊÓѶѻ·ÔÚµÚÒ»´úµÍîÜÖÊÁÏ»ù´¡ÉÏ£¬½øÒ»²½¿ØÖÆîܺ¬Á¿¿ª´´µÄµÚ¶þ´úµÍîܵ¥¾§ÖÊÁϲúÆ·£¬ÏÔ׎µµÍÖÊÁϱ¾Ç®£¬²¢ÔÚÈ«ÐÐÒµÂÊÏÈʵÏÖÁ¿²ú£¬³ÉΪ¡°µÍîÜÖÊÁÏÐÔ¼Û±ÈÖ®Íõ¡±£¬ÏÖ±»ÆÕ±éÓ¦ÓÃÓÚ¶¯Á¦½»Í¨ÁìÓò¡£
-
Ñ»·ÊÙÃü³¤
-
ÄÜÁ¿Ãܶȸß
-
Çå¾²ÐÔÇ¿
-
¸ßµçѹ
-
ÈÈÎȹÌÐÔÇ¿
-
ÐԼ۱ȸß
-
10000 x
-
3.60£4.60
D50£¨¦Ìm£©
-
0.50£0.78
BET£¨m2/g£©
-
32.70£33.90
Ni£¨wt%£©
-
6.80£8.00
Co£¨wt%£©
-
17.90£19.10
Mn£¨wt%£©
-
177.0£182.0
Ê״ηŵç±ÈÈÝÁ¿£¨mAh/g£©£¨2.8£4.35 V£¬0.1C£©
ÊÖÒÕͼ±í
-
³ä·ÅµçÇúÏßͼ
-
Á£¶ÈÂþÑÜͼ
-
Ñ»·ÐÔÄÜͼ
-
-
LL5525
LL5525ÊÇÔÚPTÊÓѶ¼«ÖµÍîܵÚÈý´úµÍîܵ¥¾§LL5515ÖÊÁÏ»ù´¡ÉϵÄÓÖÒ»Á¢Òì²úÆ·£¬Ç㸲ÐÔ½â¾öÁ˵ĵÍîÜϵͳϵÄDCRÎÊÌ⣬½ÏÉÏÒ»´úÖÊÁÏDCRÓëÑ»·ÐÔÄܾùÓÐÏÔ×ÅÌáÉý£¬¿ÉÓ¦ÓÃÓÚ4.35V/4.4VÊÂÇéµçѹÏ¡£¸Ã²úÆ·¾ß±¸Ñ»·ÊÙÃü³¤¡¢¸ßÄÜÁ¿Ãܶȡ¢¸ßÇå¾²ÐÔ¡¢¸ßµçѹ¡¢ÈÈÎȹÌÐÔÇ¿¡¢¸ßÐԼ۱Ȼ·±£µÈά¶Èµä·¶ÓÅÊÆ¡£Ä¿½ñ£¬¸ÃÏî²úÆ·Òѱ»ÆÕ±éÓ¦ÓÃÓÚ¶¯Á¦½»Í¨ÁìÓò£¬ÊÇÖÆ×÷ÐÂÄÜÔ´Æû³µµç³Ø°üµÄÖ÷ÒªÖÊÁÏ¡£
-
Ñ»·ÊÙÃü³¤
-
ÄÜÁ¿Ãܶȸß
-
Çå¾²ÐÔÇ¿
-
¸ßµçѹ
-
ÈÈÎȹÌÐÔÇ¿
-
ÐԼ۱ȸß
-
3.80£4.60
D50£¨¦Ìm£©
-
0.68£0.92
BET£¨m2/g£©
-
32.80£34.20
Ni£¨wt%£©
-
3.35£4.05
Co£¨wt%£©
-
21.00£22.50
Mn£¨wt%£©
-
183.0£189.0
Ê״ηŵç±ÈÈÝÁ¿£¨mAh/g£©£¨2.8£4.5 V£¬0.1C£©
ÊÖÒÕͼ±í
-
³ä·ÅµçÇúÏßͼ
-
Á£¶ÈÂþÑÜͼ
-
Ñ»·ÐÔÄÜͼ
-
-
LL6007
LL6007Ó¦ÓÃÓÚ4.4Vµçѹ£¬ÊÇÔÚ4.35V¸ßµçѹÈýÔªÕý¼«ÖÊÁÏ»ù´¡ÉϵĽøÒ»²½Éý¼¶¡£PTÊÓѶѻ·Í¨¹ýÌØÊâ²ôÔÓ¹¤ÒÕ£¬ÀÖ³ÉʵÏÖÁ˸ߵçѹÏÂÖÊÁϽṹÎȹ̡£LL6007Ñ»·ÊÙÃü³¤¡¢ÄÜÁ¿Ãܶȸߡ¢Çå¾²ÐԺᢸߵçѹ¡¢ÈÈÎȹÌÐÔÇ¿¡¢ÐԼ۱ȸߣ¬ÏÖÒÑÆÕ±éÓ¦ÓÃÓÚ¶¯Á¦½»Í¨ÁìÓò£¬ÊÇÖÆ×÷ÐÂÄÜÔ´Æû³µµç³ØµÄÖ÷ÒªÖÊÁÏ¡£
-
Ñ»·ÊÙÃü³¤
-
ÄÜÁ¿Ãܶȸß
-
Çå¾²ÐÔÇ¿
-
¸ßµçѹ
-
ÈÈÎȹÌÐÔÇ¿
-
ÐԼ۱ȸß
-
10000 x
-
3.50£4.50
D50£¨¦Ìm£©
-
0.62£0.81
BET£¨m2/g£©
-
35.00£38.40
Ni£¨wt%£©
-
2.75£3.30
Co£¨wt%£©
-
18.30£20.70
Mn£¨wt%£©
-
193.5-196.5
Ê״ηŵç±ÈÈÝÁ¿£¨mAh/g£©£¨2.8£4.45 V£¬0.1C£©
ÊÖÒÕͼ±í
-
³ä·ÅµçÇúÏßͼ
-
Á£¶ÈÂþÑÜͼ
-
Ñ»·ÐÔÄÜͼ
-
-
LL6510
LL6510ÊÇÒ»¿î4.35V¸ßµçѹÈýÔªÕý¼«ÖÊÁÏ£¬½ÓÄÉ̼Ëá﮹¤ÒÕ¡£²úÆ·Á¢ÒìÐÔ½ÓÄÉÒÔï®ÑÎÔÖÊÁϼÛÇ®²¨¶¯Îª²Î¿¼µÄ¹¤ÒÕÎÞаÇл»Ä£Ê½£¬Í¨¹ýÁìÏȹ¤ÒÕºÍģʽÁ¢ÒìÊè½âÔÖÊÁÏÊг¡¼ÛÇ®²¨¶¯Î£º¦¡£ LL6510Ñ»·ÊÙÃü³¤¡¢ÄÜÁ¿Ãܶȸߡ¢Çå¾²ÐÔÇ¿¡¢¸ßµçѹ¡¢ÈÈÎȹÌÐÔÇ¿¡¢ÐԼ۱ȸߡ¢ÇéÐÎÓѺã¬Òѱ»ÆÕ±éÓ¦ÓÃÓÚ¶¯Á¦½»Í¨ÁìÓò£¬ÊÇÖÆ×÷ÐÂÄÜÔ´Æû³µµç³ØµÄÖ÷ÒªÖÊÁÏ¡£
-
Ñ»·ÊÙÃü³¤
-
ÄÜÁ¿Ãܶȸß
-
Çå¾²ÐÔÇ¿
-
¸ßµçѹ
-
ÈÈÎȹÌÐÔÇ¿
-
ÐԼ۱ȸß
-
10000 x
-
3.40£4.10
D50£¨¦Ìm£©
-
0.83£1.12
BET£¨m2/g£©
-
37.65£40.80
Ni£¨wt%£©
-
3.80-4.60
Co£¨wt%£©
-
14.8-16.4
Mn£¨wt%£©
-
188.0-193.0
Ê״ηŵç±ÈÈÝÁ¿£¨mAh/g£©£¨2.8£4.35 V£¬0.1C£©
ÊÖÒÕͼ±í
-
³ä·Åµçͼ
-
Á£¶Èͼ
-
Ñ»·ÐÔÄÜͼ
-
-
LL8203
LL8203Êǵڶþ´ú8ϵ¶à¾§ÖÊÁÏ£¬½ÓÄɶþÉÕ¹¤ÒÕ£¬²¢Á¢ÒìÐÔʹÓ󬳤Ҥ¯¹¤ÒÕ£¬Íƶ¯³¬³¤Ò¤Â¯ÊÖÒÕʵÏÖÐÐÒµÍ»ÆÆ£¬ÒýÁìÐÐÒµÉú²ú¹¤ÒÕÁ¢ÒìÐÔÀå¸ï¡£ LL8203ÊÇÒ»¿î¾ßÓг¬¸ßÄÜÁ¿Ãܶȡ¢³¬¸ßÑ»·ÎȹÌÐÔµÄÕý¼«ÖÊÁÏ£¬Çå¾²ÐÔÇкϸ÷Ïî±ê×¼£¬ÏÖÔÚÖ÷ÒªÓ¦ÓÃÓÚ³¤Ðøº½ÐÂÄÜÔ´Æû³µ½»Í¨¶¯Á¦ÁìÓò£¬¹©Ó¦CATLµÈ¸ß¶Ëµç³Ø³§ÉÌ¡£
-
³¬¸ßÄÜÁ¿ÃܶÈ
-
³¬¸ßÑ»·ÎȹÌÐÔ
-
Çå¾²ÐÔÇ¿
-
10000 x
-
9.00-10.50
D50£¨ ¦Ìm£©
-
0.35-0.65
BET£¨m2/g£©
-
47.90-49.50
Ni £¨wt%£©
-
6.60-7.40
Co £¨wt%£©
-
2.95-3.58
Mn£¨wt%£©
-
206.0-211.0
Ê״ηŵç±ÈÈÝÁ¿£¨mAh/g£©£¨2.8-4.25V£¬0.1C£©
ÊÖÒÕͼ±í
-
-
LL8313
LL8313ÊÇÒ»¿î¼«ÖÂÐÔ¼Û±ÈÈýÔªÕý¼«ÖÊÁÏ¡£Í¨¹ý¶ÔÖ¤ÁÏÖÐîܺ¬Á¿µÄϸÃÜ¿ØÖƺͽµµÍ£¬¼«ºéÁ÷ƽïÔÌÁËÖÊÁÏÉú²ú±¾Ç®£¬Îª¿Í»§±¾Ç®¿ØÖÆÒ»Á¬¸³ÄÜ¡£ LL8313ÊÇÒ»¿î¾ßÓг¬¸ßÄÜÁ¿Ãܶȡ¢Ñ¹ÊµÃܶȺÍÑ»·ÎȹÌÐÔµÄÕý¼«ÖÊÁÏ£¬Çå¾²ÐÔÇкϱê×¼¡£ÏÖÔÚÖ÷ÒªÓ¦ÓÃÓÚ³¤Ðøº½ÐÂÄÜÔ´Æû³µ½»Í¨¶¯Á¦ÁìÓò¡£
-
¼«ÖÂÐÔ¼Û±È
-
³¬¸ßÄÜÁ¿ÃܶÈ
-
³¬¸ßѹʵÃܶÈ
-
³¬¸ßÑ»·ÎȹÌÐÔ
-
10000 x
-
9.05-11.70
D50£¨ ¦Ìm£©
-
0.37-0.67
BET£¨m2/g£©
-
48.1-50.50
Ni £¨wt%£©
-
3.15-3.95
Co £¨wt%£©
-
5.40-6.30
Mn£¨wt%£©
-
205.3-209.8
Ê״ηŵç±ÈÈÝÁ¿£¨mAh/g£©£¨2.8-4.25V£¬0.1C£©
ÊÖÒÕͼ±í
-
³ä·Åµçͼ
-
Á£¶Èͼ
-
Ñ»·Í¼
-
-
LL9203
LL9203ÊÇÒ»¿î³¬¸ßÄø¶à¾§ÈýÔªÕý¼«ÖÊÁϲúÆ·¡£Àú¾¶àÄêÑз¢£¬ÓµÓг¬¸ßÄÜÁ¿Ãܶȣ¬¸ßÎÂÑ»·³¬1200ÖÜ¡£ ±¾²úƷͨ¹ý°ü¸²ºÍ»Ø»ðÊֶξ«×¼¿ØÖÆÍâò²Ð¼îͬʱÐγÉÎȹ̽çÃæ£¬ÊµÏÖ¸ßÈÝÁ¿µÄͬʱ°ü¹ÜÁËÑ»·¡¢´æ´¢ºÍ²úÆøÐÔÄÜ¡£¸üͨ¹ýÁ£¶ÈÂþÑÜÓÅ»¯£¬ÔÚ8ϵ»ù´¡ÉϽøÒ»²½ÌáÉýÖÊÁÏѹʵÃܶȣ¬²úÆ·ÖÊÁ¿ÄÜÁ¿ÃܶȺÍÌå»ýÄÜÁ¿Ãܶȶ¼ÓÐÏÔ×ÅÌáÉý¡£ÏÖÔÚÖ÷ÒªÓÃÓڸ߶˻ò³¤Ðøº½ÐÂÄÜÔ´³µÐÍÖС£
-
³¬¸ßÄÜÁ¿ÃܶÈ
-
¸ßÎÂÑ»·³¬1200ÖÜ
-
10000 x
-
9.0£11.0
D50£¨¦Ìm£©
-
0.20-0.40
BET£¨m2/g£©
-
53.0-54.3
Ni£¨wt%£©
-
Co£¨wt%£©
-
0.55-1.10
Mn£¨wt%£©
-
¡Ý227.0
Ê״ηŵç±ÈÈÝÁ¿£¨mAh/g£©£¨2.8£4.3V£¬0.1C£©
ÊÖÒÕͼ±í
-
³ä·ÅµçÇúÏßͼ
-
Á£¶Èͼ
-
Ñ»·ÇúÏßͼ
-
-
LL9403
LL9403ÊÇÒ»¿î³¬¸ßÄø¶à¾§ÈýÔªÕý¼«ÖÊÁÏ¡£ ͨ¹ý¸ßìØ²ôÔÓ±¬·¢Ç¿¶¤ÔúЧӦÓÅ»¯ÖÊÁϽṹÎȹÌÐÔ£¬Í¨¹ýÍâòÔλºÏ³É¸ßÀë×ӵ絼Âʵç½âÖÊÓÅ»¯ÖÊÁϽçÃæÎȹÌÐÔ£¬Í¨¹ýµÍËðÉËˮϴȥ³ýÍâòʣÓàﮣ¬°ü¹ÜÖÊÁϽṹ²»±»ÆÆËðµÄÌõ¼þϽøÒ»²½µçоÇå¾²ÐԺͽçÃæÎȹÌÐÔ¡£PTÊÓѶѻ·Á¢ÒìÉú²ú¹¤ÒÕ£¬Ê¹µÃLL9403µÄÖÊÁ¿ºÍÌå»ýÄÜÁ¿ÃܶÈÒÔ¼°²úÆøÐÔÄÜÌåÏÖÍ»³öµÄͬʱ£¬Ñ»·¡¢´æ´¢ÐÔÒ²ÄÜÒ»Á¬¼á³ÖÓÅÒì¡£±¾²úÆ·ÏÖÔÚÖ÷ÒªÓÃÓڸ߶˻ò³¤Ðøº½ÐÂÄÜÔ´³µÐÍÖС£
-
ÄÜÁ¿ÃܶÈÓÅÒì
-
²úÆøÐÔÄÜÍ»³ö
-
´æ´¢ÐÔÄÜÓÅÒì
-
Ñ»·ÐÔÄÜÓÅÒì
-
10000 x
-
¡Ý3.6
D50£¨¦Ìm£©
-
0.40-0.65
BET£¨m2/g£©
-
54.2-55.8
Ni£¨wt%£©
-
3.0-3.5
Co£¨wt%£©
-
0.4-0.8
Mn£¨wt%£©
-
¡Ý228.3
Ê״ηŵç±ÈÈÝÁ¿£¨mAh/g£©£¨2.8£4.3V£¬0.1C£©
ÊÖÒÕͼ±í
-
³ä·ÅµçÇúÏßͼ
-
Á£¶Èͼ
-
Ñ»·ÇúÏßͼ
-
-
HC4801
-
HC5001
-
HC4801
HC4801ÊÇPTÊÓѶѻ·×ÔÖ÷Ñз¢µÄîÜËáï®Õý¼«ÖÊÁϲúÆ·£¬¾ß±¸¸ßÈÝÁ¿¡¢¸ßѹʵÃÜ¶ÈµÄµä·¶ÌØÕ÷£¬¸ßÄÜÁ¿Ãܶȡ¢¸ßµçѹµÄÏÔ×ÅÓÅÊÆ£¬ÏÖÆÕ±éÓ¦ÓÃÓÚ3CÁìÓò¡£
-
¸ßÈÝÁ¿
-
¸ßѹʵÃܶÈ
-
¸ßÄÜÁ¿ÃܶÈ
-
¸ßµçѹ
-
1000 x
-
15.2~16.2
Dv50£¨¦Ìm£©
-
0.17~0.22
BET£¨cm2/g£©
-
58.5~59.5
Co(wt%)
-
¡Ý200
³äµç±ÈÈÝÁ¿£¨mAh/g£©£¨4.53V,0.1C£©
-
¡Ý188.5
·Åµç±ÈÈÝÁ¿(mAh/g)£¨4.53V,0.1C£©
ÊÖÒÕͼ±í
-
³ä·Åµçͼ
-
Á£¶Èͼ
-
-
HC5001
HC5001ÊÇPTÊÓѶѻ·×ÔÖ÷Ñз¢µÄ¸ßѹîÜËáï®Õý¼«ÖÊÁϲúÆ·£¬¾ß±¸¸ßÈÝÁ¿¡¢¸ßѹʵÃÜ¶ÈµÄµä·¶ÌØÕ÷£¬¸ßÄÜÁ¿Ãܶȡ¢¸ßµçѹµÈÓÅÊÆÏÔ×Å£¬¿ÉÖª×ã¸ßÄÜÁ¿ÃܶÈÐèÇó£¬ÏÖÆÕ±éÓ¦ÓÃÓÚ3CÁìÓò¡£
-
¸ßÈÝÁ¿
-
¸ßѹʵÃܶÈ
-
¸ßÄÜÁ¿ÃܶÈ
-
¸ßµçѹ
-
1000 x
-
15.5~16.5
Dv50(¦Ìm)
-
0.17~0.22
BET(cm2/g)
-
58.5~59.5
Co£¨wt%£©
-
¡Ý204
³äµç±ÈÈÝÁ¿£¨mAh/g£©£¨4.55V,0.1C£©
-
¡Ý194.0
·Åµç±ÈÈÝÁ¿£¨mAh/g£©£¨4.55V,0.1C£©
ÊÖÒÕͼ±í
-
³ä·Åµçͼ
-
Á£¶Èͼ
-
-
LL3503
-
LL3503
LL3503ÊÇÒ»¿î¸»ï®¸ßÃ̵ÍÄøµÄÕý¼«ÖÊÁϲúÆ·¡£ÓÉPTÊÓѶѻ·×ÔǰÇýÌå¶ËÆô¶¯×ÔÖ÷Ñз¢£¬²úÆ·¾ß±¸¸ßÈÝÁ¿¡¢¸ßѹÃÜµÄµä·¶ÌØÕ÷£¬ÒÔ¼°¸ßÄÜÁ¿Ãܶȡ¢¸ßµçѹ¡¢¸ßÐÔ¼Û±ÈÔÚÄڵĶàά¶ÈÓÅÊÆ£¬¿Éͬʱ¼æ¹Ë¸ßÐøº½Àï³ÌºÍµÍ±¾Ç®µÄÐèÇó£¬ÊÇÕý¼«ÖÊÁÏÁìÓòÒ»¿î¼«¾ßDZÁ¦µÄ²úÆ·¡£
-
¸ßÄÜÁ¿ÃܶÈ
-
¸ßµçѹ
-
¸ßÐÔ¼Û±È
-
10000 x
-
6~8
Dv50(¦Ìm)
-
£¼2
BET(m2/g)
-
58.5~59.5
Co£¨wt£©%
-
¡Ý230
·Åµç±ÈÈÝÁ¿£¨0.1C£©(mAh/g)
-
¡Ý225
·Åµç±ÈÈÝÁ¿£¨0.33C£©(mAh/g)
ÊÖÒÕͼ±í
-
³ä·ÅµçÇúÏßͼ
-
Á£¶ÈÂþÑÜͼ
-

¸º¼«ÖÊÁÏ
-
ÄÆµç¸º¼«
-
¹è̼¸º¼«
-
SA0101
-
SA0101
SA0101ÊÇÏÖÔÚÊг¡ÖÐΪÊýδ¼¸µÄ¿ÉÒÔͬʱʵÏÖ¸ßÈÝÁ¿¡¢¸ßÊ×ЧµÄӲ̼²úÆ·¡£PTÊÓѶѻ·¾«×¼µ÷¿Ø²úÆ·¿×µÀ½á¹¹£¬ÊµÏָߴ¢ÄÆÈÝÁ¿£¬²úƷͬʱ»¹¾ß±¸¸ßÊ״οâÂ×ЧÂʺ͵ͱ¾Ç®ÔÚÄÚµÄÖî¶àÓÅÊÆ£¬¿ÉÖª×ã¿Í»§¶ÔÄÆÀë×Óµç³Ø¸º¼«ÖÊÁϱ¾Ç®ÓëÐÔÄÜ·½ÃæµÄ¶àÖØÐèÇó¡£
-
¸ßÈÝÁ¿
-
¸ßÊ×Ч
-
µÍ±¾Ç®
-
2500 x
-
4~6
Dv50(¦Ìm)
-
£¼5
BET(m2/g)
-
>0.6
TD(g/cm3)
-
0.37-0.42
²ã¼ä¾à(nm)
-
¡Ý320
³äµç±ÈÈÝÁ¿(mAh/g)
ÊÖÒÕͼ±í
-
µç»¯Ñ§ÐÔÄÜͼ
-
Á£¶ÈÐÅϢͼ
-
-
SN0104
-
SN0104
SN0104Àú¾ÈýÄêÑз¢ÖÜÆÚ£¬×îÔçÓ¦ÓÃÓڵ͹趯Á¦µç³ØÏîÄ¿¡£Ó¦ÓÃʱÔÚʯīÖÐÌí¼ÓÉÙÁ¿µÄ±¾²úÆ·¿ÉÒÔÌá¸ß²úÆ·ÈÝÁ¿£¬²¢ÔÚÑ»·ÐÔÄÜ·½ÃæÊµÏÖ2000´ÎÑ»·ÈÝÁ¿±£´æÂÊ´ï80%ÒÔÉÏ¡£
-
Ñ»·ÐÔÄÜÓÅÒì
-
20000 x
-
5000 x
-
1000 x
-
3.7~7.7
Dv50
-
0.70~1.70
BET
-
£¾0.0500
Mn£¨wt%£©
-
£¾0.0300
Fe£¨wt%£©
-
£¾0.0300
Cu£¨wt%£©
-
£¾0.0300
Cr£¨wt%£©
-
54.00~63.70
Si£¨wt%£©
-
£¾56.0
Ê×Ч£¨wt%£©
-
1350.0~1625.0
Ê×·Å £¨wt%£©
-
0.5 ~1.5
C£¨wt%£©
ÊÖÒÕͼ±í
-
µçÐÔÄÜͼ
-
¹è̼¸º¼«Á£¶Èͼ
-

ǰÇýÌå
-
Á×ËáÌú
-
ÄøîÜÃÌÇâÑõ»¯Îï
-
FP0001
-
FP0002
-
FP0001
FP0001ÊÇÒ»¿îÁ×ËáÌúï®Õý¼«ÖÊÁÏÓÃǰÇýÌå²úÆ·¡£ÔÚ¼î³Á¹¤ÒյĻù´¡ÉÏ£¬PTÊÓѶѻ·¶Ô²úÆ·ÖÊÁϺ͹¤ÒÕ¾ÙÐÐÍ»ÆÆÐÔˢУ¬Ê¹Æä¾ß±¸¸ß±ÈÍâò»ýºÍµÍÁòµÄµä·¶ÌØÕ÷¡£¸Ã²úÆ·¸ß±È±í¡¢µÍÔÓÖʺ¬Á¿¡¢¸ßÕñʵÃܶȣ¬¿ÉÖª×ã¸ßѹʵÁ×ËáÌú﮵ÄÐèÇ󣬿ɵִïÈý´úѹʵ²¢¿¿½üËÄ´úѹʵÐÔÄÜÒªÇó¡£ FP0001Òѱ»ÆÕ±éÓ¦ÓÃÓÚ¶¯Á¦½»Í¨¡¢µç¶¯¹¤¾ß¡¢´¢ÄÜ¡¢Í¨Ñ¶µÈÁìÓò£¬ÊÇÖÆ×÷Á×ËáÌúï®Õý¼«ÖÊÁϵÄÖ÷ÒªÖÊÁÏ£¬ÕýÕ¼ÓÐÖ÷Á÷Êг¡¡£
-
¸ß±È±í
-
µÍÔÓÖÊ
-
¸ßÕñʵÃܶÈ
-
50000 ¡Á
-
5000 ¡Á
-
7.6¡À1
BET£¨m2/g£©
-
36.60¡À0.15
Feº¬Á¿£¨ %£©
-
20.80¡À0.15
Pº¬Á¿£¨%£©
-
¡Ü500
Sº¬Á¿£¨ppm£©
-
0.975¡À0.005
Fe/P£¨Ä¦¶û±È£©
ÊÖÒÕͼ±í
-
Á£¶ÈÂþÑÜͼ
-
-
FP0002
FP0002ÊÇÒ»¿îÁ×ËáÌúï®Õý¼«ÖÊÁÏÓÃǰÇýÌå²úÆ·¡£ PTÊÓѶѻ·ÒÔ·ÏÁ×ËáÌúï®·ÛÌá﮺óÁ×ÌúÔüΪÖÊÁÏ£¬ÖƱ¸µç³Ø¼¶Á×ËáÌú¡£±¾²úÆ·¾ßÓй¤ÒÕ¼òÆÓ¡¢¸ßÕñʵÃܶȡ¢µÍ±¾Ç®µÈÓÅÊÆ£¬¿ÉÖª×ã¸ßѹʵÁ×ËáÌú﮵ÄÐèÇ󣬵ִï¶þ´úºÍÈý´úѹʵÐÔÄÜÒªÇó¡£ Ä¿½ñ£¬¸ÃÏî²úÆ·±»Ó¦ÓÃÓÚ¶¯Á¦½»Í¨¡¢µç¶¯¹¤¾ß¡¢´¢ÄÜ¡¢Í¨Ñ¶µÈÁìÓò£¬ÊÇÖÆ×÷Á×ËáÌúï®Õý¼«ÖÊÁϵÄÖ÷ÒªÖÊÁÏ£¬ÏÖÔÚÕýÕ¼ÓÐÖ÷Á÷Êг¡¡£
-
¹¤ÒÕ¼òÆÓ
-
¸ßÕñʵÃܶÈ
-
µÍ±¾Ç®
-
1000 ¡Á
-
2-6
BET£¨m2/g£©
-
36.60¡À0.15
Feº¬Á¿£¨%£©
-
20.80¡À0.15
Pº¬Á¿£¨%£©
-
¡Ü500
Sº¬Á¿£¨ppm£©
-
0.975¡À0.005
Fe/P£¨Ä¦¶û±È£©
-
-
PH5003
-
PH5007
-
PH5503
-
PH6506
-
PH8302
-
PH8303
-
PH9203
-
PH9401
-
PH5003
PH5003ÊÇÒ»¿îÖÐÄøÈýÔªÕý¼«Ç°ÇýÌå²úÆ·£¬Äøº¬Á¿Îª50%¡£Ä¿½ñÖ÷ÒªÓ¦ÓÃÓÚÊýÂëÀà»òÕßС¶¯Á¦¶à¾§µÄÕý¼«ÖÊÁÏÁìÓò¡£Ö÷º¬Á¿Ä¦¶û±È¿É¶¨Ïò»¯Éè¼Æ¡£
-
¶¨Ïò»¯Éè¼Æ
-
10000 x
-
1000 x
-
10.0¡À1.0
D50(¦Ìm)
-
6.0¡À2.0
BET(m2/g)
-
50.0¡À0.5
Ni(mol%)
-
20.0¡À0.5
Co(mol%)
-
30.0¡À0.5
Mn(mol%)
ÊÖÒÕͼ±í
-
-
PH5007
PH5007ÊÇÒ»¿îÖÐÄøÐ¡¿ÅÁ£ÈýÔªÕý¼«Ç°ÇýÌå²úÆ·£¬Äøº¬Á¿Îª50%¡£Ä¿½ñÖ÷ÒªÓ¦ÓÃÓÚÊýÂëÀà»òÕß¶¯Á¦µ¥¾§µÄÕý¼«ÖÊÁÏÁìÓò¡£Ö÷º¬Á¿Ä¦¶û±È¿É¶¨Ïò»¯Éè¼Æ¡£
-
¶¨Ïò»¯Éè¼Æ
-
50000 x
-
10000 x
-
1000 x
-
3.9¡À0.5
D50(¦Ìm)
-
9.0¡À3.0
BET(m2/g)
-
50.0¡À0.5
Ni(mol%)
-
20.0¡À0.5
Co(mol%)
-
30.0¡À0.5
Mn(mol%)
ÊÖÒÕͼ±í
-
Á£¶ÈÂþÑÜͼ
-
-
PH5503
PH5503ÊÇÒ»¿îÖÐÄøÐ¡¿ÅÁ£ÈýÔªÕý¼«Ç°ÇýÌå²úÆ·£¬Äøº¬Á¿Îª55%¡£Ä¿½ñÖ÷ÒªÓ¦ÓÃÓÚ¶¯Á¦µ¥¾§ÀàÕý¼«ÖÊÁÏÁìÓò¡£Ö÷º¬Á¿Ä¦¶û±È¿É¶¨Ïò»¯Éè¼Æ¡£
-
¶¨Ïò»¯Éè¼Æ
-
50000 x
-
10000 x
-
3.9¡À0.5
D50(¦Ìm)
-
9.0¡À3.0
BET(m2/g)
-
55.0¡À0.5
Ni(mol%)
-
12.0¡À0.5
Co(mol%)
-
33.0¡À0.5
Mn(mol%)
ÊÖÒÕͼ±í
-
Á£¶ÈÂþÑÜͼ
-
-
PH6506
PH6506ÊÇÒ»¿îÖÐÄøÐ¡¿ÅÁ£ÈýÔªÕý¼«Ç°ÇýÌå²úÆ·£¬Äøº¬Á¿Îª65%¡£Ä¿½ñÖ÷ÒªÓ¦ÓÃÓÚ¶¯Á¦µ¥¾§ÀàÕý¼«ÖÊÁÏÁìÓò¡£Ö÷º¬Á¿Ä¦¶û±È¿É¶¨Ïò»¯Éè¼Æ¡£
-
¿É¶¨Ïò»¯Éè¼Æ
-
50000 x
-
10000 x
-
1000 x
-
3.8¡À0.4
D50(¦Ìm)
-
9.0¡À2.0
BET(m2/g)
-
65.0¡À0.5
Ni(mol%)
-
7.0¡À0.5
Co(mol%)
-
28.0¡À0.5
Mn(mol%)
ÊÖÒÕͼ±í
-
Á£¶ÈÂþÑÜͼ
-
-
PH8302
PH8302ÊÇÒ»¿î¸ßÄøÈýÔªÕý¼«Ç°ÇýÌå²úÆ·£¬Äøº¬Á¿Îª83%£¬îܺ¬Á¿Îª12%¡£¾ß±¸Ñ»·ÊÙÃü³¤¡¢ÄÜÁ¿Ãܶȸߡ¢Çå¾²ÐÔÇ¿¡¢±¾Ç®µÍµÈÓÅÊÆ£¬¿ÉÖª×ã¸ßÐøº½¸ßÇå¾²ÐԵͱ¾Ç®µÄÐèÇó¡£Ö÷º¬Á¿Ä¦¶û±È¿É¶¨Ïò»¯Éè¼Æ¡£
-
-
ÄÜÁ¿Ãܶȸß
-
Çå¾²ÐÔÇ¿
-
±¾Ç®µÍ
-
¶¨Ïò»¯Éè¼Æ
-
50000 x
-
10000 x
-
1000 x
-
10.0¡À1.0
D50(¦Ìm)
-
7.0¡À2.0
BET(m2/g)
-
83.0¡À0.5
Ni(mol%)
-
12.0¡À0.5
Co(mol%)
-
5.0¡À0.5
Mn(mol%)
ÊÖÒÕͼ±í
-
-
PH8303
PH8303ÊÇÒ»¿î¸ßÄøÈýÔªÕý¼«Ç°ÇýÌå²úÆ·£¬Äøº¬Á¿Îª83%£¬îܺ¬Á¿Îª12%¡£¾ß±¸Ñ»·ÊÙÃü³¤¡¢ÄÜÁ¿Ãܶȸߡ¢Çå¾²ÐԸߡ¢±¾Ç®µÍµÈÓÅÊÆ£¬¿ÉÖª×ã¸ßÐøº½¸ßÇå¾²ÐԵͱ¾Ç®µÄÐèÇó¡£Ö÷º¬Á¿Ä¦¶û±È¿É¶¨Ïò»¯Éè¼Æ¡£
-
Ñ»·ÊÙÃü³¤
-
ÄÜÁ¿Ãܶȸß
-
Çå¾²ÐÔ¸ß
-
±¾Ç®µÍ
-
¶¨Ïò»¯Éè¼Æ
-
50000 x
-
10000 x
-
1000 x
-
3.8¡À0.4
D50(¦Ìm)
-
15.0¡À2.0
BET(m2/g)
-
83.0¡À0.5
Ni(mol%)
-
12.0¡À0.5
Co(mol%)
-
5.0¡À0.5
Mn(mol%)
ÊÖÒÕͼ±í
-
Á£¶ÈÂþÑÜͼ
-
-
PH9203
PH9203ÊÇÒ»¿î³¬¸ßÄøÈýÔªÕý¼«Ç°ÇýÌå²úÆ·£¬Äøº¬Á¿Îª92%¡£¾ß±¸Ñ»·ÊÙÃü³¤¡¢ÄÜÁ¿Ãܶȸߡ¢Çå¾²ÐÔÇ¿¡¢ÇéÐÎÓѺõÈÓÅÊÆ£¬¿ÉÖª×ã¸ßÐøº½Àï³ÌÐèÇó¡£±¾²úÆ·ÊÇÖÊÁÏÁìÓò¼«¾ßDZÁ¦µÄÒ»¿î²úÆ·£¬ÒÑÓ¦ÓÃÓڸ߶˵綯Æû³µÁìÓò£¬ÊÇÖÆ×÷³¤Ðøº½µç¶¯Æû³µµç³ØµÄÖ÷ÒªÖÊÁÏ¡£Ö÷º¬Á¿Ä¦¶û±È¿É¶¨Ïò»¯Éè¼Æ¡£
-
Ñ»·ÊÙÃü³¤
-
ÄÜÁ¿Ãܶȸß
-
Çå¾²ÐÔÇ¿
-
ÇéÐÎÓѺÃ
-
¶¨Ïò»¯Éè¼Æ
-
50000 x
-
10000 x
-
5000 x
-
1000 x
-
10.0¡À1.0
D50(¦Ìm)
-
8.0¡À2.0
BET(m2/g)
-
92.0¡À0.5
Ni(mol%)
-
5.0¡À0.5
Co(mol%)
-
3.0¡À0.5
Mn(mol%)
ÊÖÒÕͼ±í
-
-
PH9401
PH9401ÊÇÒ»¿î³¬¸ßÄøÐ¡¿ÅÁ£ÈýÔªÕý¼«Ç°ÇýÌå²úÆ·£¬Äøº¬Á¿Îª94%¡£ÏÖÔÚÖ÷ÒªÓ¦ÓÃÓÚ¶¯Á¦µ¥¾§ÀàÕý¼«ÖÊÁÏÁìÓò£¬Ö÷º¬Á¿Ä¦¶û±È¿É×ö¶¨Ïò»¯Éè¼Æ¡£
-
¶¨Ïò»¯Éè¼Æ
-
50000 x
-
10000 x
-
1000 x
-
3.6¡À0.4
D50(¦Ìm)
-
16.0¡À2.0
BET(m2/g)
-
94.0¡À0.5
Ni(mol%)
-
4.0¡À0.5
Co(mol%)
ÊÖÒÕͼ±í
-
Á£¶ÈÂþÑÜͼ
-

¿ó²úÆ·
-
ÄøÌú
-
FeNi20
-
FeNi20
FeNi20ÊÇRKEFÒ±Á¶¹¤ÒÕÖ±½Ó²úÆ·¡£ÔÚRKEFÒ±Á¶¹¤ÒյĻù´¡ÉÏ£¬PTÊÓѶѻ·Î§ÈÆÄøÌú¾«Á¶ÍÑÔÓ¡¢ÄøÌúÖÆ·ÛµÈÆ«Ïò¾ÙÐÐÁ¢ÒìÐÔÑз¢Í»ÆÆ£¬Ò»Á¬ÌáÉýÄøÌú·Û½þ³öÂÊ¡£ ±¾²úÆ·ÔÚÖÆ±¸Á×ËáÌú﮼°ÈýÔªÖÊÁÏ·½Ãæ¾ß±¸ÐԼ۱ȸߡ¢Çå¾²ÐÔÇ¿¡¢Ó¦ÓùæÄ£¹ã¡¢Æ·ÖÊÓÅÔ½¡¢¹æÄ£´ó¡¢±¾Ç®µÍ¡¢ÇéÐÎÓѺõÈÓÅÊÆ¡£ Ä¿½ñ£¬¸ÃÏî²úÆ·Òѱ»ÆÕ±éÓ¦ÓÃÓÚ²»Ðâ¸Ö¡¢Ìظ֡¢ÄÍÈȸÖÖý¼þÁìÓò£¬ÖƱ¸ÄøÌú·Û¿ÉÓÃÓÚ´ÅÐÔ×ÓÁÏ¡¢´ß»¯¼Á¡¢µç¶ÆµÈÁìÓò£¬ÊÇÖÆ×÷Á×ËáÌú﮼°ÈýԪǰÇýÌåµÄÖ÷ÒªÖÊÁÏ£¬Õ¼ÓÐÖÆ±¸Á×ËáÌú¡¢Á×ËáÌú﮼°ÈýÔªÖÊÁÏÁìÓòÖ÷Á÷Êг¡¡£
-
ÐԼ۱ȸß
-
Çå¾²ÐÔÇ¿
-
Ó¦ÓùæÄ£¹ã
-
Æ·ÖÊÓÅÔ½
-
±¾Ç®µÍ
-
ÇéÐÎÓѺÃ
-
²úÆ·
-
10000 ¡Á
-
5000 ¡Á
-
1000 ¡Á
-
1430~1480
È۵㣨¡æ£©
-
8.1~8.4
Ãܶȣ¨g/cm3£©
-
10~30
Ni£¨%£©
-
1~3.6
C£¨%£©
-
<0.2
Si£¨%£©
-
<0.03
P£¨%£©
-
0.2~0.5
S£¨%£©
-

ï®ÑÎ
-
̼Ëáï®
-
ÇâÑõ»¯ï®
-
LC0101
-
LC0101
LC0101ÊÇµç³Ø½ÓÄÉת»¯µÄï®ÑβúÆ·£¬½ÓÄÉÑз¢Àú³ÌÂÄÀúÊýÄê£¬ÖÆ±¸³öµÄ²úÆ·ÔÓÖʺ¬Á¿µÍ¡¢Ó¦ÓùæÄ£¹ã£¬¼«¾ßÊг¡ÓÅÊÆ¡£²úÆ·ÆÕ±éÓ¦ÓÃÓÚÖÇÄÜÊÖ»ú¡¢Ìõ¼Ç±¾µçÄÔ¡¢µç¶¯Æû³µµÈÁìÓò£¬ÊÇÖÆ±¸ï®Àë×Óµç³ØµÄÖ÷ÒªÖÊÁÏ¡£
-
ÔÓÖʺ¬Á¿µÍ
-
Ó¦ÓùæÄ£¹ã
-
10000 x
-
5000 x
-
2500 x
-
¡Ü0.25
Ë®·Ö£¨%£©
-
¡Ü0.50
×ÆÊ§ÂÊ£¨%£©
-
¡Ü200
´ÅÐÔÒìÎppb£©
-
¡Ý90.0
°×¶È
-
4.1-6.6
D50£¨¦Ìm£©
-
<0.03
P£¨%£©
-
¡Ý99.55
̼Ëáï®Ö÷º¬Á¿£¨%£©
-
-
LH0102
-
LH0102
µ¥Ë®ÇâÑõ»¯ï®ÊÇµç³Ø½ÓÄɵÄת»¯ÁíÒ»¿îÖ÷Ҫ﮲úÆ·£¬¸Ã²úÆ·ÊÇÆäËüï®ÑβúÆ·µÄÖ÷ÒªÖÊÁÏ£¬ÊÇÖÆ±¸ÈýÔªÕý¼«ÖÊÁϵÄÖ÷ÒªÖÊÁÏ¡£
-
30000 x
-
10000 x
-
5000 ¡Á
-
¡Ü75
´ÅÐÔÒìÎppb£©
-
¡Ü800
D50£¨um£©
-
¡Ý16.47-16.90
Liº¬Á¿£¨%£©
-